Related Topics
Ridiculous Relay Ratings
On this episode, Parker sifts through marketing gimmicks for component ratings and Stephen discusses dual rail power supply designs.
Kicking Troglodytes Off The Stage
PCB serial numbering? Parker and Stephen cover their thoughts on applying a unique identifier to PCBs in production for inventory and testing control.
How Soft Are Your Diodes?
Parker's pinball controller has gone gold! Revision 3 is being fabricated! Stephen then explores the softness factor of diodes and the SSPS returns?
Other Resources
Circuit Break Podcast
Webinars
Videos
Tour MacroFab's ITAR-Compliant Facility
May 12, 2016, Episode #14
- Stephen is still working on customer fixtures but managed to get some progress on the FX Development Board done. Stephen has been working on the documentation to get the Crowd Supply fundraising going. He still needs to prototype the enclosure.
- Parker has been working on the SSPS front panel design. See Figure 1.
- Parker is going to use Omron’s B3W-9000-RG2C illuminated switches because it has a Red and Green LED and allows for custom key caps via printable transparencies.
- The Bourns’ PEL12T-4226F-S1024 RGB Encoder will function to adjust the power on the supply. This is a 2-bit encoder with a clear shaft that is illuminated with a RGB LED.
- Instead of 74HC595s, Parker is going to use a STP16CP05 LED driver. The IC is a 16-bit constant current sink driver. He chose the TSSOP-24 package because it has a thermal pad to improve the heat dissipation.
- Parker hasn’t decided on whether to go with a USB 2.0 Type B connector like most industrial devices or go with the new Type C style. He is going to try the TI TPS65982 which is a USB Type C controller and power switch IC. It has a $30 evaluation board, TPS65982-EVM.
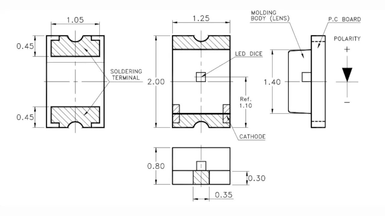
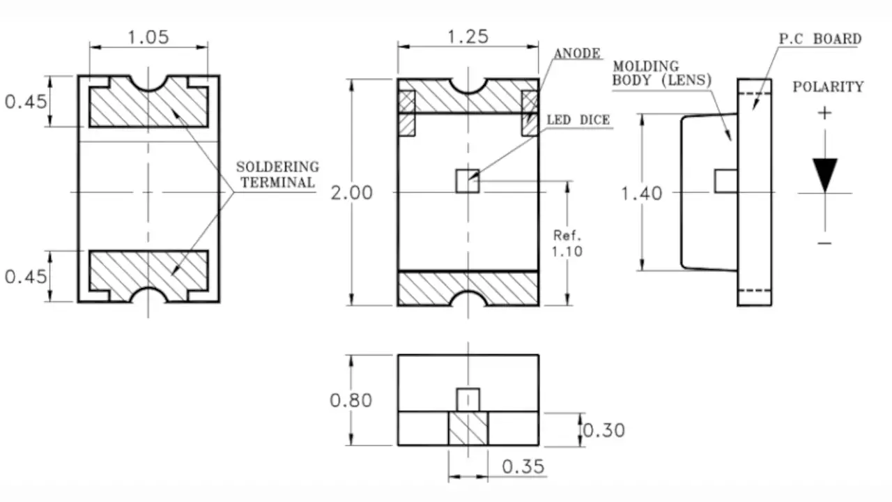
- Operations at MacroFab found a datasheet inconsistency with a Lite-On LED. P/N: LTST-C171CKT which is a house part at MacroFab (MF-LED-0805-RED). Both datasheets are identical except one drawing is anode marked and the other is cathode marked. We checked our stock and the LTST-C171CKT’s are cathode marked.
- Atmel is removing the full-swing crystal oscillator from their entire MEGA line of IC’s. Parker thinks it is weird that they are changing the tooling for such established MCUs. Here is a Hackaday article about the topic.
- Interesting topic on the ECE subreddit on “In your opinion, what makes someone a “bad engineer?”. Parker and Stephen talk about engineering ethics.
- Parker thinks this video of a power transformer starting up is an awesome sound effect. This gets Parker talking about the best sound effect ever, which is the tractor beam shut down sound in Star Wars, which rivals the hyper drive malfunction sound in Star Wars. Stephen wants to build a replica of the Death Star laser firing lever.

Figure 1: SSPS front panel layout. Traces to come soon.

Figure 2: Inconsistencies in the LTST-C171CKT datasheets.

Figure 3: Inconsistencies in the LTST-C171CKT datasheets continued.
About the Hosts
Parker Dillmann
Parker is an Electrical Engineer with backgrounds in Embedded System Design and Digital Signal Processing. He got his start in 2005 by hacking Nintendo consoles into portable gaming units. The following year he designed and produced an Atari 2600 video mod to allow the Atari to display a crisp, RF fuzz free picture on newer TVs. Over a thousand Atari video mods where produced by Parker from 2006 to 2011 and the mod is still made by other enthusiasts in the Atari community.
In 2006, Parker enrolled at The University of Texas at Austin as a Petroleum Engineer. After realizing electronics was his passion he switched majors in 2007 to Electrical and Computer Engineering. Following his previous background in making the Atari 2600 video mod, Parker decided to take more board layout classes and circuit design classes. Other areas of study include robotics, microcontroller theory and design, FPGA development with VHDL and Verilog, and image and signal processing with DSPs. In 2010, Parker won a Ti sponsored Launchpad programming and design contest that was held by the IEEE CS chapter at the University. Parker graduated with a BS in Electrical and Computer Engineering in the Spring of 2012.
In the Summer of 2012, Parker was hired on as an Electrical Engineer at Dynamic Perception to design and prototype new electronic products. Here, Parker learned about full product development cycles and honed his board layout skills. Seeing the difficulties in managing operations and FCC/CE compliance testing, Parker thought there had to be a better way for small electronic companies to get their product out in customer's hands.
Parker also runs the blog, longhornengineer.com, where he posts his personal projects, technical guides, and appnotes about board layout design and components.
Stephen Kraig
Stephen Kraig is a component engineer working in the aerospace industry. He has applied his electrical engineering knowledge in a variety of contexts previously, including oil and gas, contract manufacturing, audio electronic repair, and synthesizer design. A graduate of Texas A&M, Stephen has lived his adult life in the Houston, TX, and Denver, CO, areas.
Stephen has never said no to a project. From building guitar amps (starting when he was 17) to designing and building his own CNC table to fine-tuning the mineral composition of the water he uses to brew beer, he thrives on testing, experimentation, and problem-solving. Tune into the podcast to learn more about the wacky stuff Stephen gets up to.
Special-thanks-to-whixr-over-at-Tymkrs-for-the-intro-and-outro!
Related Podcasts
Ridiculous Relay Ratings
On this episode, Parker sifts through marketing gimmicks for component ratings and Stephen discusses dual rail power supply designs.
Hungry Hungry Op Amps
Parker and Stephen just talk about Projects... Just Projects for 30 minutes.
No Flex Allowed
On this Episode, Stephen and Parker talk about binned LEDs and what to look out for with mounting holes on PCBs.
How Soft Are Your Diodes?
Parker's pinball controller has gone gold! Revision 3 is being fabricated! Stephen then explores the softness factor of diodes and the SSPS returns?
Anti Fitbits
On this Episode, Parker and Stephen talk about silkscreen markings on diodes and tracking beer drinking.
Kicking Troglodytes Off The Stage
PCB serial numbering? Parker and Stephen cover their thoughts on applying a unique identifier to PCBs in production for inventory and testing control.
About MacroFab
MacroFab offers comprehensive manufacturing solutions, from your smallest prototyping orders to your largest production needs. Our factory network locations are strategically located across North America, ensuring that we have the flexibility to provide capacity when and where you need it most.
Experience the future of EMS manufacturing with our state-of-the-art technology platform and cutting-edge digital supply chain solutions. At MacroFab, we ensure that your electronics are produced faster, more efficiently, and with fewer logistic problems than ever before.
Take advantage of AI-enabled sourcing opportunities and employ expert teams who are connected through a user-friendly technology platform. Discover how streamlined electronics manufacturing can benefit your business by contacting us today.