Related Topics
Eighth Annual MacroFab Star Wars Christmas Special
Not unlike Han Solo emerging from cryosleep, the annual MacroFab Star Wars Christmas Special is back!
Consciously Collecting Concepts
Parker will participate in Extra Life Day: Revenge of the Holiday Special raising funds for kids at a local Texas Children's Hospital on November 4, 2023.
The EU Charges Apple Up, Down with Slack, Don’t Go Changin’
Discussion on USB-C, EU chargers, tech, Slack GUI, government regulation, tech innovation and reverse polarity.
Other Resources
Circuit Break Podcast
Webinars
Videos
Tour MacroFab's ITAR-Compliant Facility
January 30, 2019, Episode #157
- Parker
- Star Wars Detonator is 95% complete
- It is inside the enclosure and works!
- Stand needs to be printed and wrap up the paint
- Original STL files for the detonator by Roel Veldhuyzen
- Future of this project?
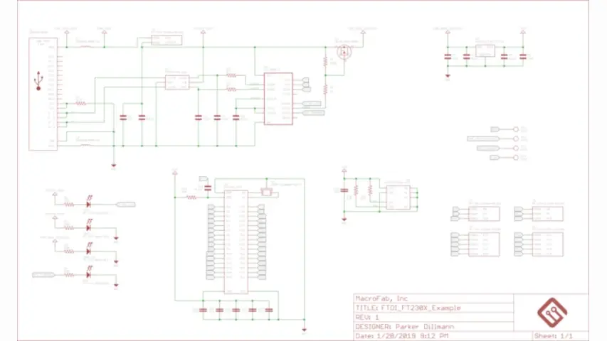
- USB Type-C Article Update
- USB Type-C -> FTDI FT230X -> Parallax Propeller is completed
- Example is on our githubs
- Next is going to be a direct to MCU style like an ATmega32u4 unless someone else has a better idea from the slack channel?
- Star Wars Detonator is 95% complete
- Stephen
- EQ is functioning!
- Grtyvr from our Slack Channel came up with a good name – The Venti-Q
- Power Hungry
- Most of the bands work
- 1 band has an oscillation problem
- 1 band is pulling too much current
- 2 or 3 bands are weak
- Building a test harness to test each band individually
- The Super Simple Ribbon Mic live design
- Saturday Feb 2 @ 6pm Central on the MacroFab Twitch Channel
- Preamp design for the Microphone
- Mechanical Design (design of the ribbon frame and the case)
- Audio Connection (USB? XLR?)
- EQ is functioning!
- R.F.O.
- One board dev kit has three snap off STM 8 microcontrollers
- One development board with three break off boards
- Has three different tiers of 8-bit STM microcontrollers: STM8L001J3, STM8L050J3, STM8S001J3
- STM8-SO8-DISCO
- Don’t Toss That Bulb, It Knows Your Password
- Smart Bulbs contain your WiFi credentials in plain text. Surprise!
- Common Electrical Engineering Interview Topics
- Luke Metro has been interviewing with Bay Area startups and big tech companies during his last year of college
- A good list to start becoming a better Electrical Engineer
- One board dev kit has three snap off STM 8 microcontrollers
Visit our Public Slack Channel and join the conversation in between episodes!

The Venti-Q assembled. The PCI-E card edge idea worked out well for Stephen.

Stephen’s Venti-Q powered up. Red LEDs on the sliders looks legit!

USB Type-C example layout circuit using a FT230-X and a Parallax Propeller.

USB Type-C example schematic circuit using a FT230-X and a Parallax Propeller.
Parker's Star Wars Thermal Detonator is 95% complete.
About the Hosts
Parker Dillmann
Parker is an Electrical Engineer with backgrounds in Embedded System Design and Digital Signal Processing. He got his start in 2005 by hacking Nintendo consoles into portable gaming units. The following year he designed and produced an Atari 2600 video mod to allow the Atari to display a crisp, RF fuzz free picture on newer TVs. Over a thousand Atari video mods where produced by Parker from 2006 to 2011 and the mod is still made by other enthusiasts in the Atari community.
In 2006, Parker enrolled at The University of Texas at Austin as a Petroleum Engineer. After realizing electronics was his passion he switched majors in 2007 to Electrical and Computer Engineering. Following his previous background in making the Atari 2600 video mod, Parker decided to take more board layout classes and circuit design classes. Other areas of study include robotics, microcontroller theory and design, FPGA development with VHDL and Verilog, and image and signal processing with DSPs. In 2010, Parker won a Ti sponsored Launchpad programming and design contest that was held by the IEEE CS chapter at the University. Parker graduated with a BS in Electrical and Computer Engineering in the Spring of 2012.
In the Summer of 2012, Parker was hired on as an Electrical Engineer at Dynamic Perception to design and prototype new electronic products. Here, Parker learned about full product development cycles and honed his board layout skills. Seeing the difficulties in managing operations and FCC/CE compliance testing, Parker thought there had to be a better way for small electronic companies to get their product out in customer's hands.
Parker also runs the blog, longhornengineer.com, where he posts his personal projects, technical guides, and appnotes about board layout design and components.
Stephen Kraig
Stephen Kraig is a component engineer working in the aerospace industry. He has applied his electrical engineering knowledge in a variety of contexts previously, including oil and gas, contract manufacturing, audio electronic repair, and synthesizer design. A graduate of Texas A&M, Stephen has lived his adult life in the Houston, TX, and Denver, CO, areas.
Stephen has never said no to a project. From building guitar amps (starting when he was 17) to designing and building his own CNC table to fine-tuning the mineral composition of the water he uses to brew beer, he thrives on testing, experimentation, and problem-solving. Tune into the podcast to learn more about the wacky stuff Stephen gets up to.
Special thanks to whixr over at Tymkrs for the intro and outro!
Related Podcasts
This Podcast Intentionally Left Blank
Mandatory USB Type-C for everything? Parker and Stephen discuss the current EU ruling and preparing your PCBA design for contract manufacturing!
Eighth Annual MacroFab Star Wars Christmas Special
Not unlike Han Solo emerging from cryosleep, the annual MacroFab Star Wars Christmas Special is back!
A Rant About How Magnets Work
Topics include StarWars, NASA, Magnets, Perpetual Energy, and Virtual Grounding.
Consciously Collecting Concepts
Parker will participate in Extra Life Day: Revenge of the Holiday Special raising funds for kids at a local Texas Children's Hospital on November 4, 2023.
Seventh Annual Star Wars Christmas Special
Will the Rebel Codebreakers be able to emerge victorious against the Empire, or will they succumb to the overwhelming power of the Empire? Tune in!
The EU Charges Apple Up, Down with Slack, Don’t Go Changin’
Discussion on USB-C, EU chargers, tech, Slack GUI, government regulation, tech innovation and reverse polarity.
About MacroFab
MacroFab offers comprehensive manufacturing solutions, from your smallest prototyping orders to your largest production needs. Our factory network locations are strategically located across North America, ensuring that we have the flexibility to provide capacity when and where you need it most.
Experience the future of EMS manufacturing with our state-of-the-art technology platform and cutting-edge digital supply chain solutions. At MacroFab, we ensure that your electronics are produced faster, more efficiently, and with fewer logistic problems than ever before.
Take advantage of AI-enabled sourcing opportunities and employ expert teams who are connected through a user-friendly technology platform. Discover how streamlined electronics manufacturing can benefit your business by contacting us today.